Будьте в курсе!
Новости, обзоры и акции
Время работы:
ПН-ПТ 10:00 - 19:00
СБ-ВС выходной
Новости, обзоры и акции
|
|
|
|
|
|
(0)
|
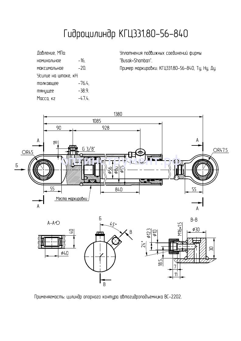
Вы можете узнать актуальную цену для города Санкт-Петербурга, на гидроцилиндр КГЦ331.80-56-840, сделав запрос, на наш электронный адрес 2584500@bk.ru
Гидроцилиндр опорного контура автогидроподъемника "ВС-2202" КГЦ 331.80-56-840 в продаже по цене 0 руб. в Интернет-магазине Проф-инструмент с доставкой в Санкт-Петербурге. Звоните по телефону +8 (800) 302-10-51.
Новости, обзоры и акции
